Klem Pengangkat Panel Batu - GPM1000A
Ringkasan
Aardwolf GPM1000A adalah klem pengangkat monumen otomatis yang dirancang untuk mengangkat dan memposisikan batu, beton, dan material finishing.
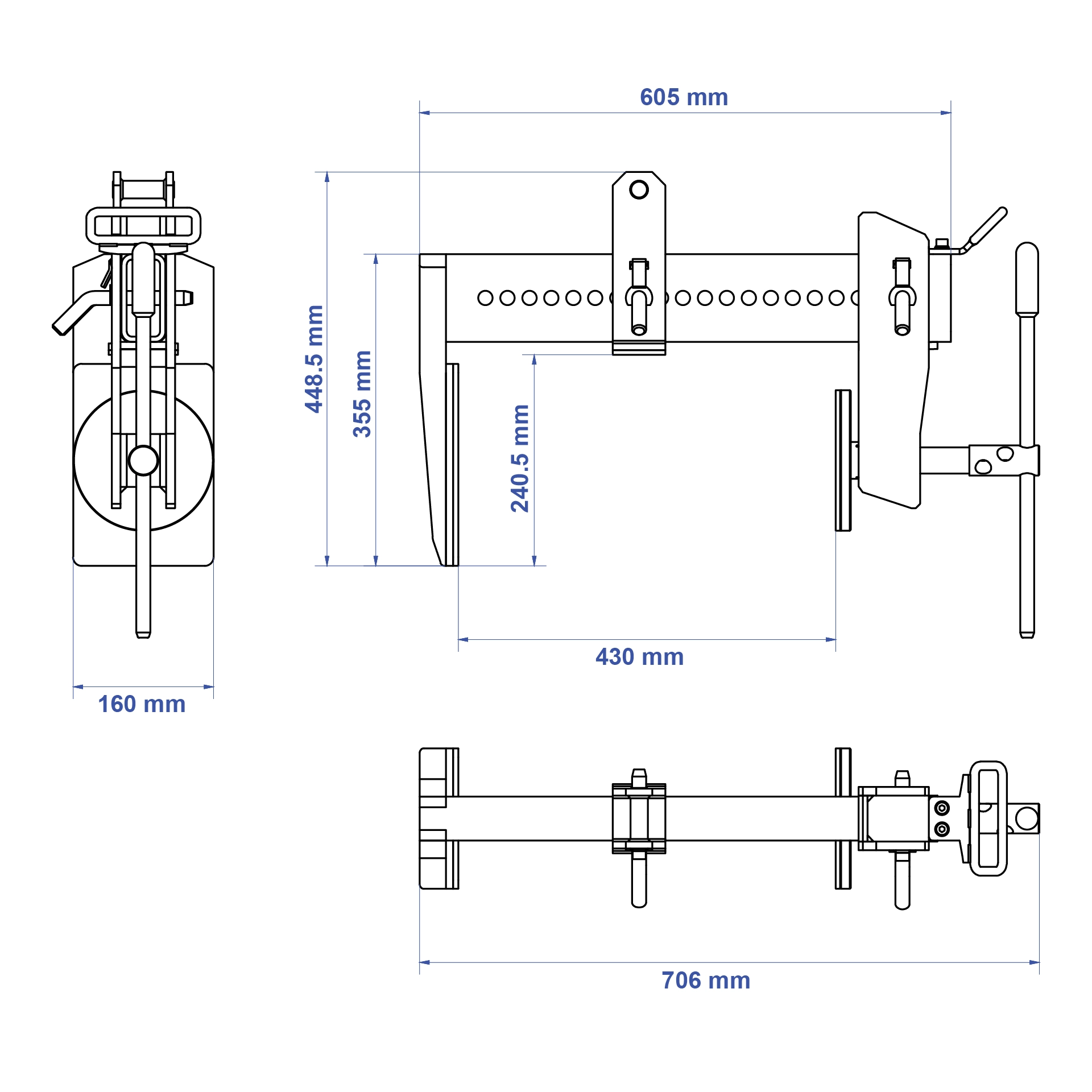
Dengan rentang jepit 20–300 mm dan kapasitas beban kerja (WLL) 1000 kg, alat ini merupakan klem pengangkat batu otomatis untuk batu nisan dan slab, yang cocok untuk aplikasi seperti pemasangan batu nisan, granite, dan material padat lainnya.
Cara Kerja
Klem dihubungkan ke alat angkat dan ditempatkan pada beban.
Rahang disesuaikan dengan ukuran material. Saat pengangkatan dimulai, sistem pengunci berbasis gravitasi akan aktif secara otomatis, dan akan terbuka kembali ketika beban diturunkan.
Fitur Utama
- Mekanisme penjepit otomatis: Mengunci saat diangkat dan melepas setelah beban diturunkan
- Rentang jepit (20–300 mm): Sesuai untuk ketebalan batu dan slab yang umum
- Sistem pengunci berbasis gravitasi: Terbuka saat tidak berbeban dan menutup saat diangkat
- Rahang dapat disesuaikan: Memudahkan pengaturan sesuai ukuran material
- Lapisan karet pada rahang: Memberikan cengkeraman sekaligus membantu melindungi permukaan
Aplikasi
- Pengangkatan dan pemasangan batu nisan dan elemen batu
- Penanganan granite dan material finishing
- Penempatan beton dan komponen slab
Catatan Penggunaan
- Pastikan beban masuk sepenuhnya ke dalam rahang klem sebelum diangkat
- Jangan melebihi kapasitas beban yang ditentukan
- Jangan digunakan pada permukaan basah atau terkontaminasi (dapat mengurangi daya cengkeram)
- Jaga jarak aman dari beban yang sedang diangkat
Pertanyaan Umum
Jenis klem apa GPM1000A?
GPM1000A adalah klem pengangkat batu otomatis dengan sistem pengunci berbasis gravitasi.
Material apa yang dapat ditangani?
Cocok untuk batu, beton, dan material slab dalam batas kapasitas yang ditentukan.
Apa yang perlu diperiksa sebelum pengangkatan?
Pastikan posisi beban sudah benar, permukaan kontak bersih, dan penggunaan sesuai kapasitas alat.
Spesifikasi teknis
GPM1000A
| Metrik | |
| Jangkauan pegangan | 20 - 300 mm |
| Batas beban kerja | 1000 kg |
| Berat bersih | 33 kg |
| Berat kotor | 36 kg |
| Dimensi kemasan | P.660 x L.200 x T.400 mm |























